| 
				It is currently Mon Nov 03, 2025 10:26 pm
  | 
			
			
		 
	
	
		
		
			View unanswered posts | View active topics
			
		
		
	
		
	
		
	
		
	
	
	
	
		
			| Author | 
			Message | 
		
	
			| 
				
				nastya20
			 | 
			
				
				
				
					 Post subject: Re: Bow Speakers Amped or Ran Off Head Unit From Factory???  Posted: Sat Aug 04, 2012 2:33 pm   | 
				 
				 
			 | 
		
		
		
			
				
			
				
					  | 
				 
			
				
					| Team Axis | 
				 
			
				
					  | 
				 
			
				 
				
					 Joined: Thu Jul 21, 2011 7:21 pm Posts: 693 Location: The Woodlands, Texas
				
			 | 
			
				
				
					| 
					
						 Running the MTX at 2Ohm is fine...other than a little more heat. 
					
						 _________________ Matt 2011 Axis A20 (sold)
					
  
						
					 | 
				 
				 
			 | 
		
		
			| Top | 
     | 
		
		
	
		  | 
	
	
	
	
			| 
				
				stuckthrottle
			 | 
			
				
				
				
					 Post subject: Re: Bow Speakers Amped or Ran Off Head Unit From Factory???  Posted: Sat Aug 04, 2012 11:36 pm   | 
				 
				 
			 | 
		
		
		
			
				
			
				
					  | 
				 
			
				
					| Boater | 
				 
			
				 
				
					 Joined: Mon Jan 23, 2012 9:10 am Posts: 40
				
			 | 
			
				
				
					| 
					
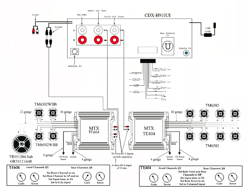
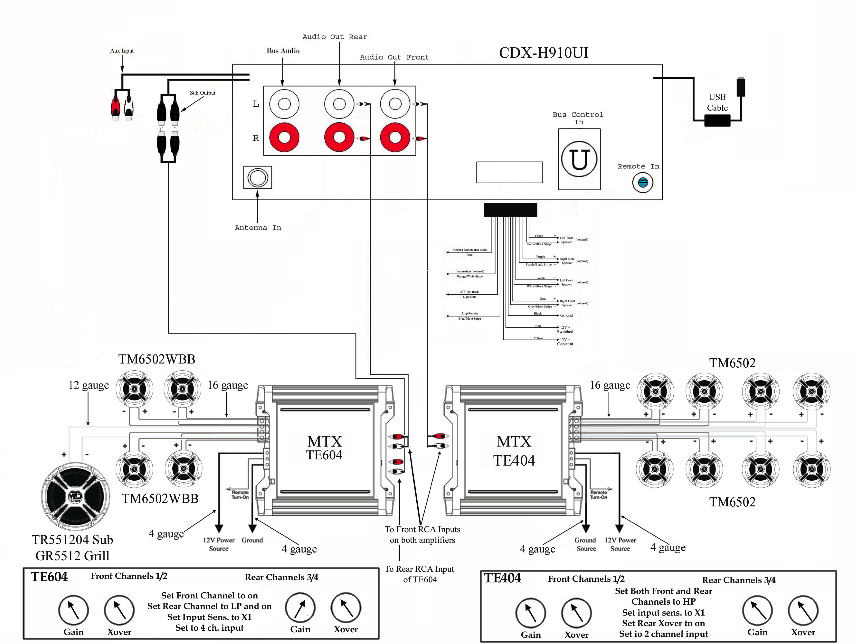
						 Hope this helps with the factory wiring. 
					
						
  
						
						
							| Attachments:  | 
						 
						
							
								
			  
			Screen shot 2012-01-22 at 8.29.26 PM.png [ 273 KiB | Viewed 7438 times ]
		
		 
	 | 
							 
						
						 
					
						
					 | 
				 
				 
			 | 
		
		
			| Top | 
     | 
		
		
	
		  | 
	
	
	
	
	
 
	
	
	
		Who is online | 
	
	
		Users browsing this forum: No registered users and 36 guests  | 
	
	
	 | 
	You cannot post new topics in this forum You cannot reply to topics in this forum You cannot edit your posts in this forum You cannot delete your posts in this forum You cannot post attachments in this forum
  |