|
It is currently Sun Nov 30, 2025 8:30 pm
|
View unanswered posts | View active topics
|
Page 1 of 1
|
[ 9 posts ] |
|
| Author |
Message |
|
KFire31
|
Post subject: Stereo Issue Posted: Tue Sep 16, 2014 10:24 am |
|
Joined: Mon Jul 07, 2014 4:39 pm Posts: 8 Location: TX
|
|
Has anyone had an issue with the stock Sony stereo when you adjust the throttle it changes the radio station or advances to the next song on you Ipod?
_________________ 2013 Black/White A20
|
|
| Top |
|
 |
|
ianbyrd
|
Post subject: Re: Stereo Issue Posted: Thu Sep 18, 2014 9:13 am |
|
Joined: Tue Jul 22, 2014 4:12 pm Posts: 10
|
|
yes! happened all the time. we have a 2013 a22 and we took it to the dealer and where the auto volume plug in it was barly unplugged and it keeps unplugging I would put some electo tape around them so they stay plugged together. im not even sure exactly there they connect I forgot. I would just look around on the internet.
|
|
| Top |
|
 |
|
KFire31
|
Post subject: Re: Stereo Issue Posted: Thu Sep 18, 2014 1:57 pm |
|
Joined: Mon Jul 07, 2014 4:39 pm Posts: 8 Location: TX
|
|
Hmm, Thank you I will look tonight.
_________________ 2013 Black/White A20
|
|
| Top |
|
 |
|
kyson
|
Post subject: Re: Stereo Issue Posted: Fri Sep 19, 2014 9:44 am |
|
 |
| Boater |
Joined: Thu Jul 11, 2013 10:58 am Posts: 49 Location: Austin, TX
|
|
Yes. Our 2013 does this and it drives us nuts. We finally just disabled the speed controlled volume and it stopped. But that now necessitates manually adjusting the volume as throttle use changes.
|
|
| Top |
|
 |
|
kevyphilly
|
Post subject: Re: Stereo Issue Posted: Fri Sep 19, 2014 12:43 pm |
|
Joined: Mon Jul 28, 2014 9:59 am Posts: 8 Location: san antonio, tx
|
|
I bought the 2014 A22 in July and had the same problems. Dealer replaced the head unit and it seemed to work. A few weeks later the problem came back. Dealer replaced the amp. I have not had a problem yet. But it is definitely a factory issue. All the repairs are covered on the waranty, but it is a hassle with all the down time.
|
|
| Top |
|
 |
|
WayneTuttle
|
Post subject: Re: Stereo Issue Posted: Fri Sep 19, 2014 2:12 pm |
|
 |
| Team Axis |
Joined: Sat Jun 21, 2014 6:27 pm Posts: 178 Location: Parker Strip, AZ
|
|
it is the plug not being seated properly, just as lanbyrd said. The connector from the boat goes into the "remote control" plug on the head unit. In the head unit there are some ridges on either side of the plug that interfere with the stock connector from the boat. When this prevents the connector from seating, the changes to engine RPM increase/decrease the channel instead of the volume. When it loosened up the second time on my 2014 A22, I used a knife and shaved the diameter of the molded rubber portion of the boat's connector so it could seat without bumping into the ridges on the back of the head unit. Problem completely solved. Much better than using tape which would only be a temporary fix.
I really like the feature. at wakeboarding or wakesurfing speeds we have the volume at the right level. When we pick up the skier/boarder the sound level drops way down for talking to girl in water, and crew (breathing ballast). As soon as we hit the throttle, the stereo is back at its proper volume for towing once again.
|
|
| Top |
|
 |
|
away
|
Post subject: Re: Stereo Issue Posted: Wed Sep 24, 2014 9:01 am |
|
 |
| Team Axis |
Joined: Tue Aug 06, 2013 1:43 pm Posts: 62 Location: Harrodsburg, KY
|
|
Need pics of where this connection is! My auto volume has never worked. It turned on in the instrument cluster but does nothing. Maybe mine is just not connected.
Thanks in advance
_________________ 2013 Axis A22 Delta Universal Surf-Tab 750's rear lockers 950 Arrow under front seats stock tanks full
|
|
| Top |
|
 |
|
kevyphilly
|
Post subject: Re: Stereo Issue Posted: Wed Sep 24, 2014 12:22 pm |
|
Joined: Mon Jul 28, 2014 9:59 am Posts: 8 Location: san antonio, tx
|
|
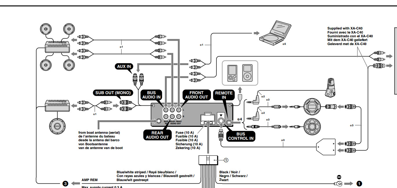
Here is the image from the manual. What plug are we talking about?
| Attachments: |

9-24-2014 1-18-33 PM.jpg [ 173.53 KiB | Viewed 31464 times ]
|
|
|
| Top |
|
 |
|
WayneTuttle
|
Post subject: Re: Stereo Issue Posted: Thu Sep 25, 2014 11:41 am |
|
 |
| Team Axis |
Joined: Sat Jun 21, 2014 6:27 pm Posts: 178 Location: Parker Strip, AZ
|
|
REMOTE IN. If you notice this is shown connecting to either the twisty remote above or the dashboard remotes.
The problem is that the back panel has a bump adjacent to the connection that can hit the molded plastic plug body and prevent it from engaging fully. So instead of getting its signal as volume change, it thinks it is getting told to change channels.
It is easy to see. Lay on your back with head under dash board. As you will note above, it is the right-most connector when looking from the back. I used a knife and shaved the plastic down and it works perfectly and I love the feature.
Wayne
|
|
| Top |
|
 |
|
Page 1 of 1
|
[ 9 posts ] |
|
Who is online |
Users browsing this forum: No registered users and 52 guests |
|
You cannot post new topics in this forum You cannot reply to topics in this forum You cannot edit your posts in this forum You cannot delete your posts in this forum You cannot post attachments in this forum
|